INTRODUCCIÓN
Con el nombre de melanocitosis dérmicas se conocen una serie de entidades como el nevo azul, la mancha mongólica, el nevo de Ota y el nevo de Ito. También existen otros procesos, menos conocidos, que presentan al igual que los anteriores melanocitos dérmicos, como sucede con la melanocitosis dérmica tardía, el hamartoma melanocítico dérmico, la melanocitosis congénita dérmica segmentaria, la melanocitosis dérmica generalizada o las melanocitosis dérmicas postraumáticas. Todos estos cuadros poseen una serie de características que los diferencian de las entidades clásicas1.
CASO CLÍNICO
Se trata de una mujer de 55 años de edad con antecedentes de hipertensión arterial en tratamiento con captopril, y bronquiectasias bilaterales secundarias a tuberculosis pulmonar que presentaba desde hacía 10 años una lesión pigmentada en la espalda de carácter estable. La lesión era asintomática y no refería desencadenante traumático alguno ni había antecedentes familiares de lesiones similares. Si bien se había percatado de su existencia, nunca la había consultado, hasta que fue remitida a nuestra Unidad durante un ingreso hospitalario a causa de una sobreinfección de sus bronquiectasias.
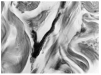
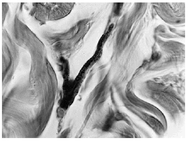
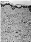
Presentaba una mácula hiperpigmentada de coloración azul-violácea y aspecto moteado que abarcaba la región interescapular. La lesión tenía unos bordes uniformes y bien delimitados (fig. 1). El resto de la exploración dermatológica no ofrecía ninguna otra lesión de interés. Se procedió a la realización de una biopsia cutánea que reveló una epidermis y una dermis normales salvo por la presencia en dermis reticular de células ovaladas, fusiformes y alargadas con intensa pigmentación melánica y algunas ramificaciones (figs. 2 y 3). Se efectuó una tinción con rojo Congo que resultó negativa. Las tinciones inmunohistoquímicas para proteína S100 y HMB 45 demostraron positividad de esas células. En la microscopia electrónica se pudo confirmar la presencia de melanocitos dérmicos. Debido a las dificultades para desparafinar la pieza no fue posible determinar la presencia de vaina extracelular melanocítica debido a la deficiente calidad de las imágenes.
Fig. 1. Mácula hiperpigmentada en región dorsal.
Fig. 2. Panorámica histológica con melanocitos aislados en dermis reticular.
Fig. 3. Detalle de los melanocitos dérmicos.
DISCUSIÓN
Los melanocitos dérmicos suelen presentar una morfología diferente a los melanocitos localizados en la epidermis, presentando unos citoplasmas alargados y ramificados intensamente pigmentados. Ultraestructuralmente, el melanocito dérmico se caracteriza por la presencia de melanosomas libres, pequeñas gotas lipídicas intracitoplasmáticas y la existencia de una característica vaina extracelular.
Las melanocitosis dérmicas abarcan una serie de entidades clínico-patológicas como son el nevo azul, la mancha mongólica, el nevo de Ota y el nevo de Ito. Dentro de estos cuadros clásicos algunos autores incluyen las máculas azuladas de la esclerodermia, el naevus fusco-caeruleus zygomaticus2 y las máculas bilaterales adquiridas tipo nevo de Ota3.
Existen otras entidades, menos conocidas, pero que también pueden encuadrarse dentro de las melanocitosis dérmicas. Se podrían agrupar dentro del concepto de «atípicas» dado el carácter esporádico de las mismas y la multitud de términos que les han concedido sus autores. Básicamente estos cuadros son similares a las melanocitosis dérmicas clásicas, pero difieren en algunas características como pueden ser sus localizaciones, formas de comienzo y evolución o ciertos rasgos histológicos que las diferencian sutilmente de los cuadros comentados con anterioridad. Dentro de este concepto encontraríamos el hamartoma melanocítico dérmico4, la melanocitosis congénita dérmica segmentaria5, la melanocitosis dérmica de presentación tardía6, la melanocitosis dérmica generalizada7, las melanocitosis dérmicas postraumáticas8, 9, la melanocitosis dérmica lineal adquirida10, la melanocitosis dérmica diseminada11 o la mancha mongólica de comienzo en edad adulta12, por nombrar algunos de ellos. Todos tienen en común la presencia de melanocitos localizados en diferentes niveles dérmicos.
Su distribución anatómica varía enormemente, existiendo cierta predisposición por la zona dorsal, y en concreto la región interescapular, como sucede con nuestra paciente. Otras zonas afectadas son la mano9, nalgas4 o extremidades inferiores10. También existen casos generalizados que afectan prácticamente toda la superficie corporal7, incluso mucosa oral y ocular11.
Con respecto a la forma de comienzo existe un cierto equilibrio entre los casos que comienzan en el nacimiento y los que se desarrollan más tardíamente. De todas formas todas las lesiones suelen manifestarse dentro de las tres primeras décadas de la vida.
Existen casos con tendencia a la estabilidad mientras que otros han ido evolucionando con los años, extendiéndose progresivamente a otras zonas. Suelen tener un comportamiento benigno, aunque en un paciente se ha documentado la evolución hacia melanoma11.
Nuestro caso, que puede por tanto englobarse dentro de estas melanocitosis dérmicas «atípicas», es muy similar al descrito por Ono et al6 dado que estos autores describieron siete pacientes con máculas gris azuladas moteadas localizadas en el tercio superior de la espalda. A nivel histológico presentaban células pigmentarias en dermis reticular que mediante la microscopia electrónica pudo determinarse su naturaleza melanocitaria. Anotar que como característica única de nuestro caso se encuentra el hecho de que nuestra paciente es una mujer de raza blanca a diferencia de los casos publicados, todos hombres y de raza oriental. Estos casos fueron denominados con el término de melanocitosis dérmica tardía. Debido a la similitud de ambos trabajos hemos adoptado dicha nomenclatura para denominar al nuestro, aunque sería bueno quizá catalogar todos estos casos esporádicos bajo una denominación común como podría ser la ya aludida de melanocitosis dérmicas atípicas.





